Hochschule-Reutlingen-Triton (@hsrt_triton) 's Twitter Profile
Hochschule-Reutlingen-Triton

@hsrt_triton

ID: 1451866948225179653

calendar_today23-10-2021 11:09:23

19 Tweet

16 Followers

10 Following

Hochschule-Reutlingen-Triton (@hsrt_triton) 's Twitter Profile Photo

Hallo und Willkommen zu unserem offiziellen Twitter Account. Wir sind eine Gruppe von Neun Mechatronik Studierenden im 4. Semester der Hochschule Reutlingen. Ziel unseres Projektes ist die Entwicklung eine Audioverstärkers. #electronic #mikroelektronik #opv Electronics & Drives - SKIP

Hallo und Willkommen zu unserem offiziellen Twitter Account.
Wir sind eine Gruppe von Neun Mechatronik Studierenden im 4. Semester der Hochschule Reutlingen. 
Ziel unseres Projektes ist die Entwicklung eine Audioverstärkers.

#electronic  #mikroelektronik #opv 

<a href="/EDRT_SKIP/">Electronics & Drives - SKIP</a>
Hochschule-Reutlingen-Triton (@hsrt_triton) 's Twitter Profile Photo

Das Gesamtmodell steht und wurde vom Master-Team Electronics & Drives - SKIP abgesegnet! Nun können die Schematics mit Eagle erstellt werden 😎 #electronics #hochschulereutlingen

Das Gesamtmodell steht und wurde vom Master-Team <a href="/EDRT_SKIP/">Electronics & Drives - SKIP</a> abgesegnet! Nun können die Schematics mit Eagle erstellt werden 😎
#electronics #hochschulereutlingen
Hochschule-Reutlingen-Triton (@hsrt_triton) 's Twitter Profile Photo

Zu jeder Errungenschaft gehört auch ein gut durchdachter Plan sowie der Austausch der zwischen Ergebnisse. Deshalb treffen wir uns jeden Donnerstag gemeinsam mit dem Master-Team Electronics & Drives - SKIP im E&D. #teamwork #pcb #design

Zu jeder Errungenschaft gehört auch ein gut durchdachter Plan sowie der Austausch der zwischen Ergebnisse.
Deshalb treffen wir uns jeden Donnerstag gemeinsam mit dem Master-Team <a href="/EDRT_SKIP/">Electronics & Drives - SKIP</a> im E&amp;D.
#teamwork #pcb #design
Hochschule-Reutlingen-Triton (@hsrt_triton) 's Twitter Profile Photo

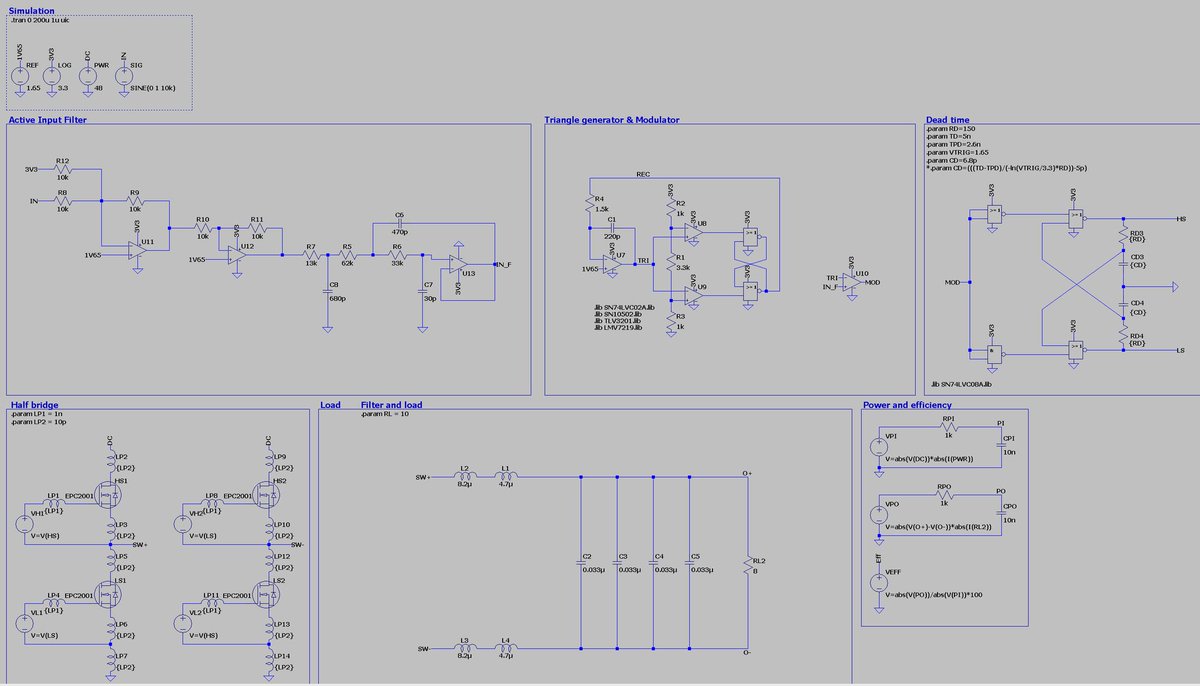
Unser Audioverstärker ist in verschiedene Module gegliedert, welche in kleinern Teams bearbeitet wurden. Unsere Schematics sind fertig, deshalb wollen wir diese mit euch teilen. Wir starten mit unserem Eingangsfilter: #audio #amplifier #filter #schematic #eagle

Unser Audioverstärker ist in verschiedene Module gegliedert, welche in kleinern Teams bearbeitet wurden. Unsere Schematics sind fertig, deshalb wollen wir diese mit euch teilen. Wir starten mit unserem Eingangsfilter:
#audio #amplifier #filter #schematic #eagle
Hochschule-Reutlingen-Triton (@hsrt_triton) 's Twitter Profile Photo

Es folgen der Rechteck-Dreieck-Generator und Modulator. Das in diesem Modul erzeugte PWM-Signal wird anschließend an die Totzeit-Logik übergeben. Unser Audioverstärker wird zwei Kanäle haben. #audio #amplifier #triangle #square #pulse #generator #PWM #schematic #eagle

Es folgen der Rechteck-Dreieck-Generator und Modulator. Das in diesem Modul erzeugte PWM-Signal wird anschließend an die Totzeit-Logik übergeben. Unser Audioverstärker wird zwei Kanäle haben.
#audio #amplifier #triangle #square #pulse #generator #PWM #schematic #eagle
Hochschule-Reutlingen-Triton (@hsrt_triton) 's Twitter Profile Photo

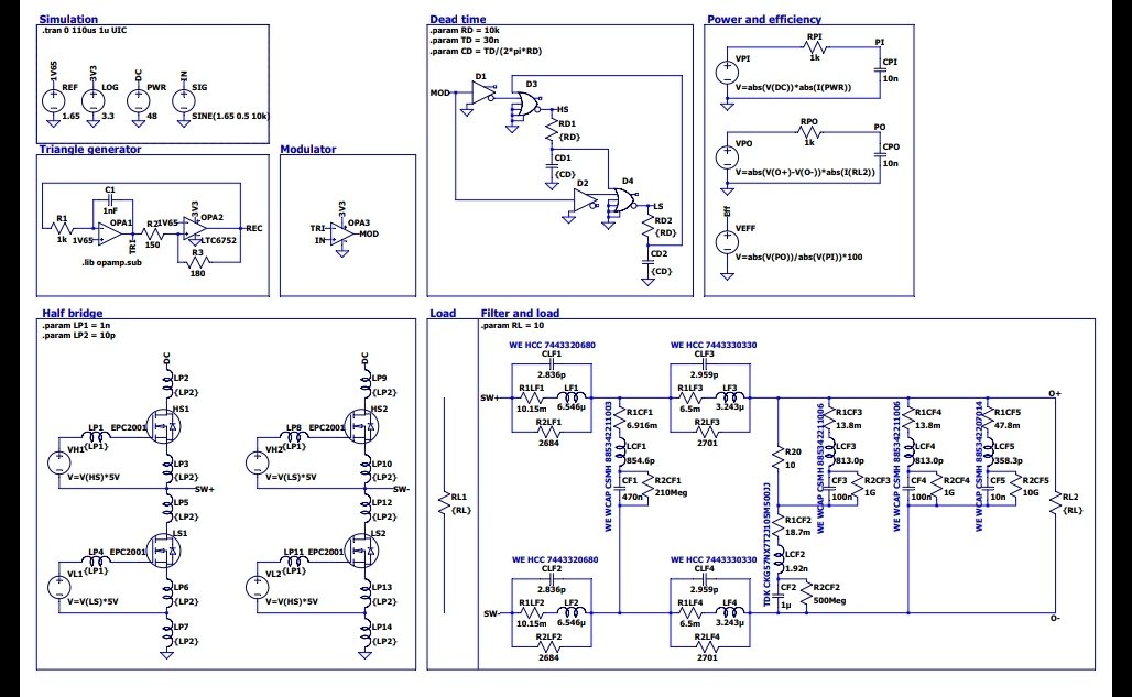
Unser Totzeit-Modul besteht aus drei NOR-Gattern und einem AND-Gatter, zusammen mit den Potentiometern und den Kapazitäten bilden sie ein zeitverzögertes SR-Latch. Auch hier wieder doppelt angelegt für beide Kanäle. #audio #amplifier #deadtime #schematic #eagle

Unser Totzeit-Modul besteht aus drei NOR-Gattern und einem AND-Gatter, zusammen mit den Potentiometern und den Kapazitäten bilden sie ein zeitverzögertes SR-Latch. Auch hier wieder doppelt angelegt für beide Kanäle.
#audio #amplifier #deadtime #schematic #eagle
Hochschule-Reutlingen-Triton (@hsrt_triton) 's Twitter Profile Photo

Dies ist der Schaltplan für die GaN-Halbbrücken, welche wir als fertige Module gestellt bekommen. #GaN #halfbridges #schematic #eagle

Dies ist der Schaltplan für die GaN-Halbbrücken, welche wir als fertige Module gestellt bekommen.
#GaN #halfbridges #schematic #eagle
Hochschule-Reutlingen-Triton (@hsrt_triton) 's Twitter Profile Photo

Unser passiver Ausgangsfilter bildet das letzte Modul vor den Lautsprechern. Und wurde schlicht als ein Filter zweiter Ordnung gehalten. #audio #amplifier #filter #schematic #eagle

Unser passiver Ausgangsfilter bildet das letzte Modul vor den Lautsprechern. Und wurde schlicht als ein Filter zweiter Ordnung gehalten.
#audio #amplifier #filter #schematic #eagle
Hochschule-Reutlingen-Triton (@hsrt_triton) 's Twitter Profile Photo

Last but not least, die Spannungsversorung ohne die alles nicht funktionieren würde. Sie stellt 48V, 12V, 3.3V und 1.65V für die weiteren Module unseres Verstärkers zur Verfügung. #audio #amplifier #powersupply #schematic #eagle

Last but not least, die Spannungsversorung ohne die alles nicht funktionieren würde. Sie stellt 48V, 12V, 3.3V und 1.65V für die weiteren Module unseres Verstärkers zur Verfügung.
#audio #amplifier #powersupply #schematic #eagle
Hochschule-Reutlingen-Triton (@hsrt_triton) 's Twitter Profile Photo

Das PCB und das Case sind nun fertig und wurden bestellt. Nun warten wir, bis das Baby ankommt 😎 #triton #pcb #electronic #hochschule #mikroelektronik #classDamplifier

Das PCB und das Case sind nun fertig und wurden bestellt. Nun warten wir, bis das Baby ankommt 😎 
#triton #pcb #electronic #hochschule #mikroelektronik #classDamplifier
Hochschule-Reutlingen-Triton (@hsrt_triton) 's Twitter Profile Photo

Frohes neues Jahr! Leider gab es bei der Lieferung unserer Platine Verzögerungen. Wir warten immer noch auf das Eintreffen unserer PCB, um dann schnellstmöglich mit dem Löten zu beginnen. #audio #amplifier #pcb #eagle #happynewyear

Frohes neues Jahr! Leider gab es bei der Lieferung unserer Platine Verzögerungen. Wir warten immer noch auf das Eintreffen unserer PCB, um dann schnellstmöglich mit dem Löten zu beginnen. 
#audio #amplifier #pcb #eagle #happynewyear
Hochschule-Reutlingen-Triton (@hsrt_triton) 's Twitter Profile Photo

Wir freuen uns euch mitteilen zu dürfen, dass wir unseren Verstärker erfolgreich getestet haben. Das Ergebnis kann sich sehen lassen. #triton #audio #amplifier

Hochschule-Reutlingen-Triton (@hsrt_triton) 's Twitter Profile Photo

Ein Bild des Triton-Teams vor dem Electronics&Drives Zentrum in Rommelsbach. E&D @[email protected] Insgesamt sind wir neun Studierende des Studiengangs Mechatronik im vierten Semester an der Hochschule Reutlingen. @HS_Reutlingen Zwei Studierende fehlen leider auf unserem Gruppenbild.

Ein Bild des Triton-Teams vor dem Electronics&amp;Drives Zentrum in Rommelsbach. <a href="/ElectronicsDrv/">E&D @ElectronicsAndDrives@mastodon.social</a> Insgesamt sind wir neun Studierende des Studiengangs Mechatronik im vierten Semester an der Hochschule Reutlingen. @HS_Reutlingen Zwei Studierende fehlen leider auf unserem Gruppenbild.
Hochschule-Reutlingen-Triton (@hsrt_triton) 's Twitter Profile Photo

Triton mkII is getting ready. A vastly improved version of our original Class-D-Amplifier including a control loop, cleaner power supply, lower noise operational amplifiers, delayed startup of the output stages and much more. We can't wait to test it in the near future!

Triton mkII is getting ready. A vastly improved version of our original Class-D-Amplifier including a control loop,  cleaner power supply, lower noise operational amplifiers, delayed startup of the output stages and much more. We can't wait to test it in the near future!
Hochschule-Reutlingen-Triton (@hsrt_triton) 's Twitter Profile Photo

Soldering ✅ Functionality tests ✅ We soldered and successfully tested our Triton mkII amplifier E&D @[email protected] and, so far, all functions work properly so pretty soon there will be music ;) #classdamplifier #triton

Soldering ✅
Functionality tests ✅

We soldered and successfully tested our Triton mkII amplifier <a href="/ElectronicsDrv/">E&D @ElectronicsAndDrives@mastodon.social</a> and, so far, all functions work properly so pretty soon there will be music ;) #classdamplifier #triton