ВеЧер (@v_remember) 's Twitter Profile
ВеЧер

@v_remember

Владелец красного диплома по фигурному словоблуду.
Люблю есть хлеб и сгущенку.

Заведую кафедрой умножения на ноль.

Часы приема:
После 25:00

ID: 4244480626

calendar_today21-11-2015 19:56:21

15,15K Tweet

115 Takipçi

224 Takip Edilen

Ken Cao (@ken_lovetw) 's Twitter Profile Photo

6 years ago today, China arrested a doctor for telling the truth about Covid-19. Not a dissident. Not a politician. A physician doing his job. Li Wenliang saw a strange virus spreading. He warned his colleagues. He tried to save lives. The state responded with handcuffs,

6 years ago today, China arrested a doctor for telling the truth about Covid-19.

Not a dissident.
Not a politician.
A physician doing his job.
Li Wenliang saw a strange virus spreading.
He warned his colleagues.
He tried to save lives.
The state responded with handcuffs,
Daniil Chebykin (@chebykin_d) 's Twitter Profile Photo

· США начинают и завершают военную операцию против Венесуэлы · США вывозят Мадуро для дальнейшего суда <Вы находитесь здесь> · В Венесуэле устанавливается демократический режим · Санкции с нефтяной промышленности снимаются · Дешёвая и больше не токсичная нефть в больших объёмах

Tw93 (@hitw93) 's Twitter Profile Photo

I recently discovered a super cool website inspection tool called Web-Check. It has a strong hacker vibe. It lets you inspect almost everything about a website: IP details, SSL, DNS records, cookies, domain info, crawler rules, server location, redirect history, open ports,

I recently discovered a super cool website inspection tool called Web-Check. It has a strong hacker vibe.

It lets you inspect almost everything about a website: IP details, SSL, DNS records, cookies, domain info, crawler rules, server location, redirect history, open ports,
Combination K (@combination_k) 's Twitter Profile Photo

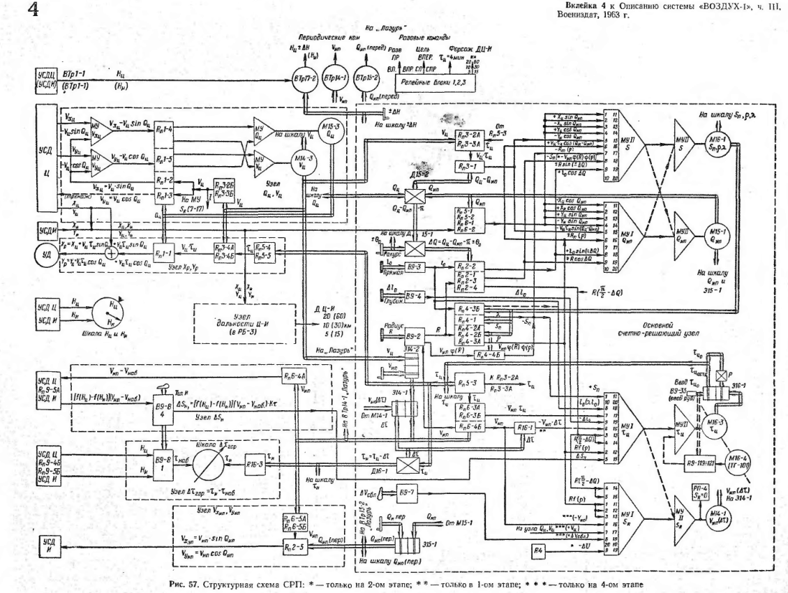
The more I read about Vozdukh-1 the more convinced I become that A.A. Lvovich and M.I. Mikhailov were aliens that devised technology no human should have ever gotten their hands on.

The more I read about Vozdukh-1 the more convinced I become that A.A. Lvovich and M.I. Mikhailov were aliens that devised technology no human should have ever gotten their hands on.
Stas (@stas33909559) 's Twitter Profile Photo

Грозев утверждарт, что Украину, как государство спасла российская коррупция. Из 10 млрд долл выделенных на подкуп должностных лиц лиц и создание подпольных деверсионных групп, 90-95% было тупо украдено чиновниками и сотрудниками фсб разных уровней.

AF Post (@afpost) 's Twitter Profile Photo

After a left-wing terror attack left much of Berlin without power and heat, German officials evacuated refugees and left the elderly and cancer patients in the cold. Follow: AF Post

After a left-wing terror attack left much of Berlin without power and heat, German officials evacuated refugees and left the elderly and cancer patients in the cold.

Follow: <a href="/AFpost/">AF Post</a>
ВеЧер (@v_remember) 's Twitter Profile Photo

Вашему вниманию представляется самый умный ФБКшник. Это из-за рассмотрения вопроса по отмене ВНЖ Волкова, после его слитого высказывания

Carina Cedrechi (@ccc75167010) 's Twitter Profile Photo

Don Winslow THIS IS NOT A LEFT ISSUE. THIS IS NOT A RIGHT ISSUE. THIS IS NOT A CENTRIST ISSUE. THIS IS AN AMERICAN ISSUE 🇺🇸 WHEN THE STATE CAN USE LETHAL FORCE WITHOUT ACCOUNTABILITY, WHEN AN AGENT OF POWER CAN END A LIFE AND FACE NO CONSEQUENCES, WHEN DUE PROCESS IS SKIPPED, HUMANITY IS

Tom Bombadil (@tombombadil_nb) 's Twitter Profile Photo

Життя при Україні VS "життя" при російській окупації P.S: 250 ждунів з 20 тисяч населення - це, як на мене, крах всіх потуг російської пропаганди. Всього 1,25%

Пан Полтава (@poltava_x) 's Twitter Profile Photo

Відвезли дитину на планове до кардіолога. Кардіолог мені каже: «я вас памʼятаю ще дитиною, ви в нас лежали, чому ви живі?»

Відвезли дитину на планове до кардіолога. Кардіолог мені каже: «я вас памʼятаю ще дитиною, ви в нас лежали, чому ви живі?»
TheManMaker (@themanmakerx) 's Twitter Profile Photo

Before she leaves you, the pattern is always the same: • Sex disappears • Everything you do annoys her • Warmth turns into cold distance • She stops asking about your day • Conversations feel forced • Affection feels transactional • She’s always “too tired” • Your